0755-28397973
深圳容方, 您永远可信任的防爆监控品牌!!

防爆监控辅助设备

防爆重型支架

发布时间:2021-01-20点击量:62
防爆重型支架

防爆重型支架(云台支架)

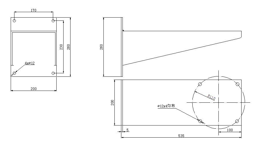
配件型号:RFHS02

功能特点:用于安装防爆云台,承重80Kg.200*260*535, 宽*高*长


安装孔位简图:

1.jpg

地址:深圳市坪山区龙田街道德昌盛工业园B栋4楼  电话:0755-28397973  手机:13509641599
版权所有:深圳容方科技  技术支持:深圳容方电子技术部  ICP备案编号:粤ICP备09017434号-3